3ZB-300 Triplex Plunger Pump
3ZB-300 Triplex Plunger Pump
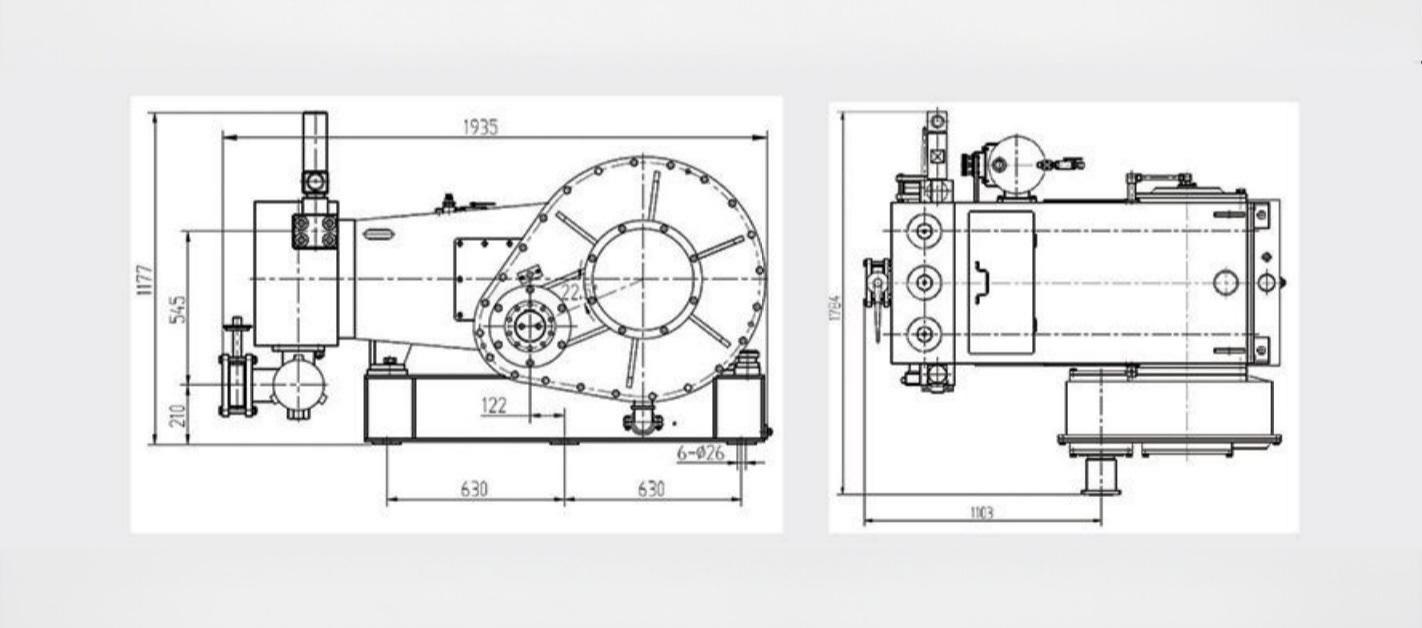
Our triplex plunger pump (well flush pump) mainly used for oilfield well flush service and workover service. Triplex cylinder single action plunger design, compose of power end, hydraulic end and lubrication system. Gear reduce box is external type, packing seal in hydraulic end, packing can be adjustable in order to avoid leakage.
There are options for corrosive medium. Lubrication pump is equipped in power end, hydraulic end lubrication method is air driving.
| Model | 3ZB-300 | |
| Max. input power | kW (hp) | 300 (400) |
| Max. input speed | r/min | 1650 |
| Max. stroke rating | Min-1 | 360 |
| Stroke | mm | 160 |
| Plunger Dia. | mm | 90/100/115 |
| Max. displacement | m3/h | 100 |
| Max. pressure | MPa | 70 |
| Ratio of reducer | i | 4.60 |
| Suction flange | in | 5 |
| Dia. of discharge outlet | in | 2 |

| Stroke rating | ||||||||||
Plunger Dia. | 56 | 100 | 200 | 250 | 287 | |||||
| Displacement | Pressure | Displacement | Pressure | Displacement | Pressure | Displacement | Pressure | Displacement | Pressure | |
| GPM(L/min) | Psi(MPa) | GPM(L/min) | Psi(MPa) | GPM(L/min) | Psi(MPa) | GPM(L/min) | Psi(MPa) | GPM(L/min) | Psi(MPa) | |
| 115 | 42,9 | 10152 | 76.6 | 7261 | 153,12 | 3626 | 214.4 | 2596 | 275.7 | 2030 |
| 162.5 | 70 | 290.1 | 50.2 | 580.0 | 25 | 812.3 | 17.9 | 1044.3 | 14 | |
| 100 | 52.8 | 10152 | 94.6 | 5903 | 189.2 | 2958 | 264.4 | 2103 | 340.4 | 1638 |
| 200.0 | 70 | 358.3 | 40.7 | 716.7 | 20.4 | 1001.6 | 14.5 | 1289.3 | 11.3 | |
| 115 | 69.9 | 7977 | 124.9 | 4467 | 249.9 | 2233 | 350.2 | 1595 | 450.1 | 1247 |
| 265.0 | 55 | 473.3 | 30.8 | 946.6 | 15.4 | 1326.6 | 11 | 1705.0 | 8.6 | |

Foreign Cooperation Display

On Site Work Display

Internal Factory Display




Contact: Miss.Zhang
Phone: +8613513914716
E-mail: lilyzhang@cs-petro.com / info@cs-petro.com
Whatsapp:+8613513914716
Add: No. 15, Tuan Jie Hu Road, Chaoyang District, Beijing, China
We chat